Directional Control Valves - Series D5S

Series D5S seat valves are designed for directional control functions. They enable individual hydraulic solutions for nominal flow up to 800 LPM (211.6 GPM) due to a large variety of poppets, springs, and covers, including shuttle valves, stroke limiters, solenoid valves (VV01) and position control.

Applications

Why Choose the D5S?

About the D5S Series

D5S Seat Valve
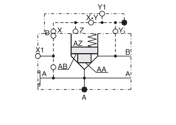
D5S Pilot Configuration:
Features:
  • up to 5075 PSI pressure rating
  • up to 211.6 GPM nominal flow
  • 2- and 3-port bodies
  • SAE61 flange mounted:
Check out the Industrial Valve Catalog for more information:

D5S Pressure Curves

D5S Cartridge Options


Series D1V
Series D3
Series D31
Series D41
D61VW
D81VW
D101VW
D111VW