Directional Control Valves - Series D4S

Parker's highly versatile 2/2-way seat valves series D4S for subplate mounting are designed for directional control functions and feature numerous options. A large variety of poppets, springs and covers – including shuttle valves, stroke limiters, solenoid valves (VV01) and position control – allows to design individual hydraulic solutions for nominal flow up to 600 l/min.

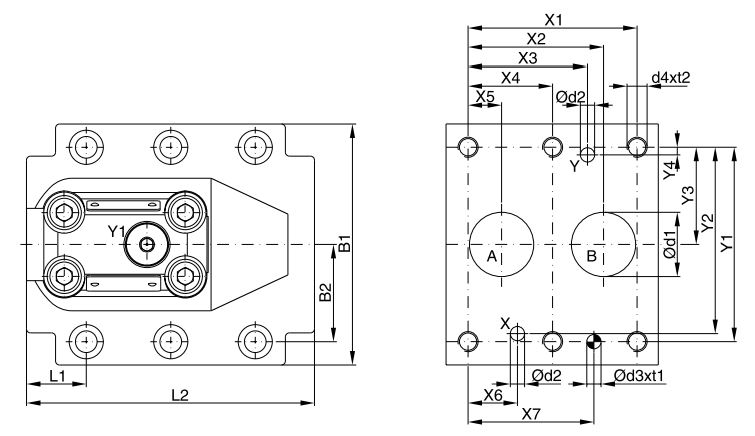
Subplate Mounting ISO 5781 (NG 10, 25, 32)

About the D4S Series

Features:
  • Subplate mounting according to ISO 5781
  • Leak-free seat valve design
  • Numerous pilot options
  • 6 poppet types
  • D4S03 - NG10 D4S06 - NG25 D4S10 - NG32
D1VW
D3W
D31VW
D41VW
D61VW
D81VW
D101VW
D111VW