Directional Control Valves - Series D101

D101V
Solenoid Pilot Operated
D101VA
Air Operated
D101VL
Lever Operated
D10P
External Pilot Operated
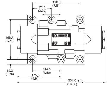
Series D101 hydraulic directional control valves are high performance, 2-stage, 4-way valves. They are available in 2 or 3-position styles and are manifold mounted. Series D101 directional valves consist of a 5-chamber style main body, a case hardened sliding spool, and a pilot valve or pilot operators (hydraulic or pneumatic).

About the D101 Series

Directional Options
  • Easy access mounting bolts
  • 210 Bar (3000 PSI) pressure rating
  • Flows to 950 LPM (250 GPM) depending on spool
  • Choice of four operator styles
  • Rugged four land spools
  • Low pressure drop
  • Phosphate finish
  • Mounting Pattern: NFPA D10, CETOP 10, NG32

Other Directional Valves

Series D1
Series D3
Series D31
Series D41
Series D61
Series D81
Series D101
Series D111
Want to know when a new blog has been published? Subscribe now an email every two weeks highlighting the latest blog posts on the Parker blogging platform.